С 1 по 5 ноября мы работаем по следующему графику: с 10:00-16:00, в будние дни.
| Наличие товара | В наличии |
Основная характеристика
| Максимальное давление на выходе, МПа | 0,5 |
| Число двойных ходов поршня, мин-1 | 65 |
| Рабочее давление пара, МПа | 1,1 |
| Допустимая вакууметрическая высота всасывания, м | 6 |
| Подача, м3/ч | 25 |
| Номинальное давление на выходе, МПа | 0,4 |
Гидравлическая характеристика

Дополнительная характеристика
| Габаритные размеры (ДxШxВ), мм | 700х400х1280 |
| Масса, кг | 350 |



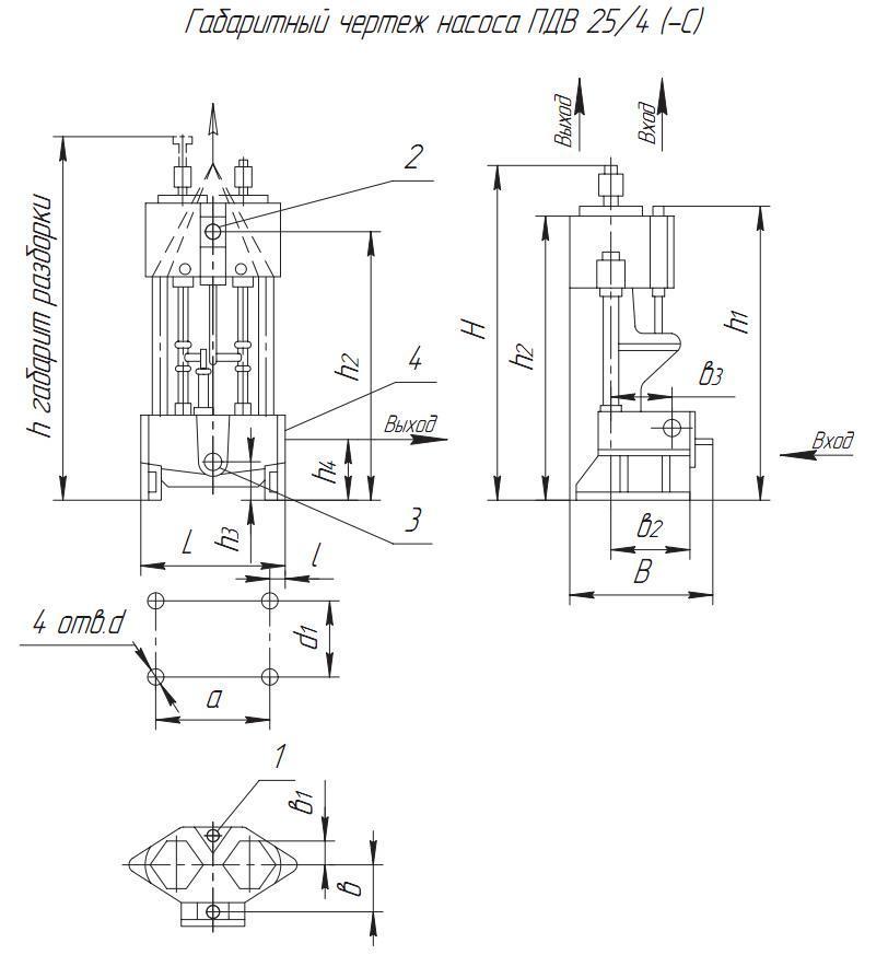
Изображение

Назначение
Насосы паровые поршневые предназначены для работы как на насыщенном, так и на перегретом паре с температурой до 573 К (до 300 °С) в стационарных и транспортных условиях для перекачивания нефти и нефтепродуктов, сжиженных углеводородных газов, пресной и морской воды и других жидкостей, сходных с указанными по плотности, вязкости и химической активности с температурой до 673 К (до 400 °С) в зависимости от исполнения насоса. Максимальная массовая концентрация твердых частиц в перекачиваемой среде не должна быть более 0,2%, а максимальный размер твердых частиц — 0,2 мм.
Насосы обеспечивают бесступенчатое регулирование подачи и давления на выходе из насоса в пределах от 25 до 100% номинальной величины путем изменения давления пара на входе в насос. Регулирование, в указанных пределах, может осуществляться как одного из параметров (подачи или давления), так и обоих одновременно.
Взрывобезопасность, надежность в работе, плавное регулирование подачи и давления на выходе, простота конструкции и обслуживания делают насосы данного класса незаменимыми в отдельных производствах. Насосы ПДГ и ПДВ особенно хороши в тех случаях, когда имеется дешевый пар, отсутствует электроэнергия или по каким либо причинам ее применить нельзя (например — по условиям пожарной безопасности).
Конструкция
Насос состоит из двух основных частей: паровой и гидравлической. Паровая часть служит приводом, гидравлическая часть является собственно насосом. В каждой рабочей полости гидравлического цилиндра насосов с подачей до 60 м3/ч имеется по одному всасывающему и нагнетательному клапану, а в насосах с подачей более 100 м3/ч — по два всасывающих и два нагнетательных клапана.
По конструкции насосы изготавливаются двух типов:
ПДГ — прямодействующие двухпоршневые, двухстороннего действия, горизонтальные.
ПДВ — прямодействующие двухпоршневые, двухстороннего действия, вертикальные.
Варианты исполнения
По назначению насосы изготавливаются в следующих исполнениях:
Н — для темных нефтепродуктов с кинематической вязкостью от 0,008х10–4 до 8х10–4 м2/с (от 0,008 до 8Ст) и с температурой от 273 К до 493 К (от 0 до 220 °С);
НШ —шламовый, для темных нефтепродуктов с кинематической вязкостью от 0,008х10–4 до 8х10–4 м2/с(от 0,008 до 8 Ст) и с температурой от 273 К до 493 К (от 0 до 220 °С) с массовой концентрацией твердых частиц до 2 % и максимальным размером до 8 мм;
НГ — для нефтепродуктов с кинематической вязкостью от 0,008х10–4 до 8х10–4 м2/с (от 0,008 до 8 Ст) и с температурой от 273 К до 673 К (от 0 до 400 °С); НГш — шламовый, для нефтепродуктов с кинематической вязкостью от 0,008х10–4 до 8х10–4 м2/с (от 0,008 до 8 Ст) и с температурой от 273 К до 673 К (от 0 до 400 °С), с массовой концентрацией твердых частиц до 2 % и максимальным размером до 8 мм;
Г — для сжиженных углеводородных газов плотностью от 480 до 700 кг/м3 с температурой от 243 К до313 К (от минус 30 до плюс 40 °С);
Х — для бензольных продуктов, каменноугольных смол и темных нефтепродуктов с кинематической вязкостью от 0,008х10–4 до 8х10–4 м2/с (от 0,008 до 8 Ст) и с температурой до 393 К (120 °С);
С — судовые — для перекачивания пресной и морской воды, темных нефтепродуктов и других, сходных с указанными по химической активности жидкостей с кинематической вязкостью от 0,008х10–4 до 8х10–4 м2/с (от 0,008 до 8 Ст) и с температурой от 278 К до 393 К (от 5 до 120 °С), а насосы с подачей более 100 м³/ч предназначены, кроме того, и для перекачивания бензина с температурой от 273 К до 303 К (от 0 до 30 °С);
О — общепромышленное— для перекачивания пресной воды, темных нефтепродуктов и других, сходных с указанными по химической активности жидкостей с кинематической вязкостью от 0,008х10–4 до 8х10–4 м2/с (от 0,008 до 8 Ст) и с температурой от 278 К до 378 К (от 5 до 105 °С).
Насосы изготавливаются в следующих климатических исполнениях:
Н, Нш, НГ, НГш, Г, Х, О — УХЛ4, Т5; С — УХЛ4, а для установки на судах и в тропики ОМ5. Допускается эксплуатация в условиях категории размещения 2 и 3 при температуре не ниже минус 15 °С.
Условные бозначения
Пример обозначения парового насоса:
ПДГ 25/45 Б-Н-УХЛ4 ТУ 26-06-1584-90,
где:
ПДГ — тип насоса по конструкции (паровой поршневой двухцилиндровый горизонтальный — ПДГ; паровой поршневой двухцилиндровый вертикальный — ПДВ);
25 — номинальная подача насоса, м³/ч;
45 — давление на выходе из насоса, кгс/см²;
Б — индекс модернизации (первая модернизация — А; вторая модернизация — Б; третья модернизация — В);
Н — исполнение насоса по назначению (Н, Нш, НГ,НГш, Г, Х, О, С);
УХЛ — климатическое исполнение (УХЛ, Т5, ОМ5);
4 — категория размещения;
ТУ 26-06-1584-90 — номер технических условий.